1.: Công tắc hành trình snap BZ-2RW82215TCông tắc honeywell BZ-2RW82215T.Kích thước:25,4 mm H x 17,8 mm W x 50,8 mm L.Dòng tải cho phép: 10 A.Loại tiếp điểm: SPDT.Cơ cấu tác động: Loại cần gạt có con lăn.Chân cắm: Loại bắt vít.Nhiệt độ hoạt động:-55 °C to 85 °C [-67 °F to 185 °F].Điện áp hoạt động: 250 Vac.Lực tác động: 1,67 N [6 oz] max.Lực hồi về: 0,42 N [1.5 oz] min.Độ dịch chuyển:2,39 mm [0.094 in] min.Kích thước ốc lắp đặt: 3,53 mm [0.139 in].Trọng lượng: 24,94 g to 34,01 g [0.055 lb to 0.075 lb].2. Kích thước: Chọn các mã sản phẩm khác của Công tắc hành trình snap BZ
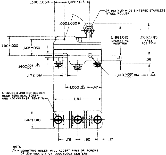
1.: Công tắc hành trình snap BZ-2RW82215T
-
Công tắc honeywell BZ-2RW82215T.
-
Kích thước:25,4 mm H x 17,8 mm W x 50,8 mm L.
-
Dòng tải cho phép: 10 A.
-
Loại tiếp điểm: SPDT.
-
Cơ cấu tác động: Loại cần gạt có con lăn.
-
Chân cắm: Loại bắt vít.
-
Nhiệt độ hoạt động:-55 °C to 85 °C [-67 °F to 185 °F].
-
Điện áp hoạt động: 250 Vac.
-
Lực tác động: 1,67 N [6 oz] max.
-
Lực hồi về: 0,42 N [1.5 oz] min.
-
Độ dịch chuyển:2,39 mm [0.094 in] min.
-
Kích thước ốc lắp đặt: 3,53 mm [0.139 in].
-
Trọng lượng: 24,94 g to 34,01 g [0.055 lb to 0.075 lb].
2. Kích thước:

Chọn các mã sản phẩm khác của Công tắc hành trình snap BZ

