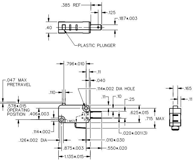
1.:Công tắc honeywell V7-1A17D8Kích thước:15,9 mm H x 10,2 mm W x 28,8 mm L.Sealed: Không có.Dòng tải cho phép: 5 A.Loại tiếp điểm: SPDT.Cơ cấu tác động: Loại Pin Pittông.Chân cắm: Loại kết nối nhanh.Nhiệt độ hoạt động:-40 °C to 82 °C [-40 °F to 180 °F].Điện áp hoạt động: 250 Vac.Lực tác động: 1,47 N [5.3 oz] max.Lực hồi về: 0,24 N [0.86 oz] min.Độ dịch chuyển:1,27 mm [0.050 in] min.Trọng lượng: 8 g [0.3 oz].2. Kích thước:Chọn các mã sản phẩm khác của Công tắc honeywell V7
1.:Công tắc honeywell V7-1A17D8
-
Kích thước:15,9 mm H x 10,2 mm W x 28,8 mm L.
-
Sealed: Không có.
-
Dòng tải cho phép: 5 A.
-
Loại tiếp điểm: SPDT.
-
Cơ cấu tác động: Loại Pin Pittông.
-
Chân cắm: Loại kết nối nhanh.
-
Nhiệt độ hoạt động:-40 °C to 82 °C [-40 °F to 180 °F].
-
Điện áp hoạt động: 250 Vac.
Lực tác động: 1,47 N [5.3 oz] max.
-
Lực hồi về: 0,24 N [0.86 oz] min.
Độ dịch chuyển:1,27 mm [0.050 in] min.
-
Trọng lượng: 8 g [0.3 oz].
2. Kích thước:


