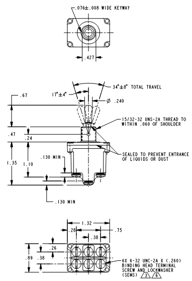
1.: Công tắc lật honeywell 2NT1-7EDòng tải: 0.5 A to 15 A at 0.5 Vac to 277 Vac|0.5 A at 250 Vdc|0.75 A at 115 Vdc|0.5 A to 20 A at 0.5 Vdc to 28 Vdc.Loại tiếp điểm: DPDT.Kiểu tác động: 3 vị trí.Kiểu lắp đặt:Bushing 15/32 in.Chân cắm: loại bắt vít.2. Kích thước:
1.: Công tắc lật honeywell 2NT1-7E
-
Dòng tải: 0.5 A to 15 A at 0.5 Vac to 277 Vac|0.5 A at 250 Vdc|0.75 A at 115 Vdc|0.5 A to 20 A at 0.5 Vdc to 28 Vdc.
-
Loại tiếp điểm: DPDT.
-
Kiểu tác động: 3 vị trí.

-
Kiểu lắp đặt:Bushing 15/32 in.
-
Chân cắm: loại bắt vít.
2. Kích thước:


