1.: Công tắc nút nhấn Honeywell AML11GBA2EA
-
Kiểu nối dây: 4.5-24 Vdc Sinking.
-
Chân cắm:.110 x .020 (hợp kim hoặc kết nối nhanh).
-
Điện áp ra: 0.4 V (Sinking 10 mA).
-
Dòng điện cung cấp: 24 V 9.0 mA (Released)|5 V 7.0 mA (Released)|14.0 mA (Operated – no load).
-
Điện áp LED/Lamp/Neon: Không có.
-
Sử dụng nút AML51.
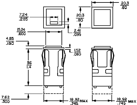
2. Kích thước:

⇒ Chọn các mã sản phẩm khác của Công tắc nút nhấn Honeywell AML

