1.: Công tắc nút nhấn Honeywell AML21CBA3AA
-
Kiểu nối dây: SPDT.
-
Loại tác động: Tác động tạm thời.
-
Chân cắm: .025 x .025 (Printed Circuit, or Push-On).
-
Dải điện áp/Ampe:0.4-2 A @ 0.5 -250 Vac|0.4-2 A @ 0.5-30 Vdc|0.4-3 A @ 0.5-125 Vac.
-
Sử dụng nút AML51.
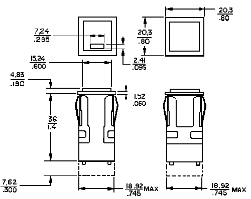
2. Kích thước:

⇒ Chọn các mã sản phẩm khác của Công tắc nút nhấn Honeywell AML

