1.: Công tắc nút nhấn Honeywell AML21CBC2AA
-
Kiểu nối dây: SPDT.
-
Loại tác động: Tác động luân phiên.
-
Chân cắm: .110 x .020 (Solder or Quick-Connect).
-
Dải điện áp/Ampe:0.4-2 A @ 0.5-30 Vdc|0.4-2 A @ 0.5 -250 Vac|0.4-3 A @ 0.5-125 Vac.
-
Điện áp LED/Lamp/Neon: 14 V Lamp.
-
Sử dụng nút AML51.
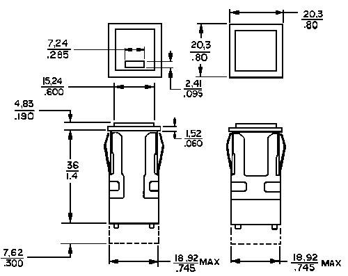
2. Kích thước:

⇒ Chọn các mã sản phẩm khác của Công tắc nút nhấn Honeywell AML

