1.: Công tắc nút nhấn Honeywell AML21FBA3BA
-
Kiểu nối dây: SPDT.
-
Loại tác động: Tác động tạm thời.
-
Chân cắm:.025 x .025 (Printed Circuit, or Push-On).
-
Dải điện áp/Ampe: 0.01-0.1 A @ 0.5-24 Vdc.
-
Điện áp LED/Lamp/Neon: không có.
-
Sử dụng nút AML51.
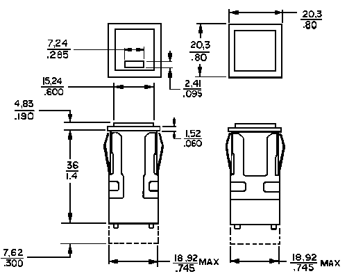
2. Kích thước:

⇒ Chọn các mã sản phẩm khác của Công tắc nút nhấn Honeywell AML

