1.: Công tắc nút nhấn Honeywell AML21FBC2EC
-
Kiểu nối dây: DPDT.
-
Loại tác động: Tác động tạm thời.
-
Chân cắm:.110 x .020 (hợp kim hoặc kết nối nhanh).
-
Dải điện áp/Ampe:0.1-3 A @ 0.5-125 Vac|0.1-2 A @ 0.5-250 Vdc|0.1-2 A @ 0.5-30 Vdc.
-
Điện áp LED/Lamp/Neon: 14 V Lamp.
-
Sử dụng nút AML51.
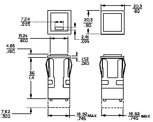
2. Kích thước:


