1.: Công tắc nút nhấn Honeywell AML21FBE2BB
-
Kiểu nối dây: SPDT.
-
Loại tác động: Tác động luân phiên.
-
Chân cắm:.110 x .020 (hợp kim hoặc kết nối nhanh).
-
Dải điện áp/Ampe: 0.01-0.1 A @ 0.5-24 Vdc.
-
Điện áp LED/Lamp/Neon: 28 V Lamp.
-
Sử dụng nút AML51.
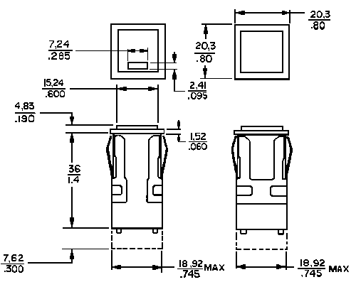
2. Kích thước:

⇒ Chọn các mã sản phẩm khác của Công tắc nút nhấn Honeywell AML

