1.: Công tắc nút nhấn Honeywell AML22CBB2AD
-
Kiểu nối dây: DPDT.
-
Loại tác động: Tác động tạm thời.
-
Chân cắm:.025 x .025 (Printed Circuit, or Push-On).
-
Dải điện áp/Ampe: 0.4-3 A @ 0.5-125 VAC|0.4-2 A @ 0.5-30 VDC|0.4-2 A @ 0.5 -250 VAC.
-
Điện áp LED/Lamp/Neon: 5-48 Vdc.
-
Màu LED/Neon: đỏ.
-
Sử dụng nút AML52.
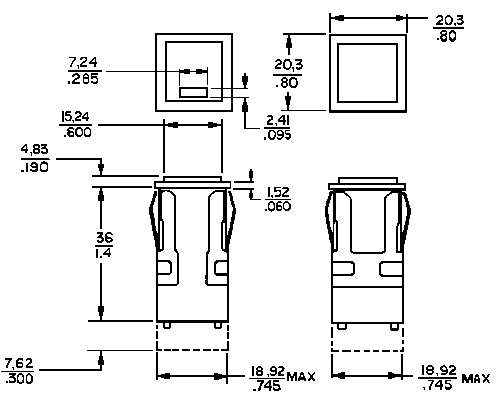
2. Kích thước:

⇒ Chọn các mã sản phẩm khác của Công tắc nút nhấn Honeywell AML

