1.: Công tắc nút nhấn Honeywell AML22CBJ3AD
-
Kiểu nối dây: DPDT.
-
Loại tác động: Tác động luân phiên.
-
Chân cắm:.025 x .025 (Printed Circuit, or Push-On).
-
Dải điện áp/Ampe:0.4-2 A @ 0.5-30 Vdc|0.4-2 A @ 0.5 -250 Vac|0.4-3 A @ 0.5-125 Vac.
-
Điện áp LED/Lamp/Neon: 5V.
-
Màu LED/Neon: vàng.
-
Sử dụng nút AML52.
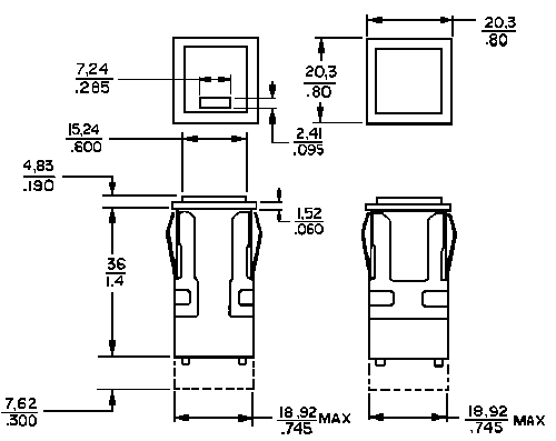
2. Kích thước:

⇒ Chọn các mã sản phẩm khác của Công tắc nút nhấn Honeywell AML

