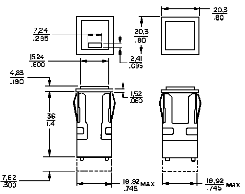
1.:Công tắc nút nhấn honeywell AML22CBS2BC
-
Kiểu nối dây: DPDT.
-
Loại tác động: Tác động tạm thời.
-
Chân cắm:.110 x .020 (Solder or Quick-Connect).
-
Dải điện áp/Ampe:0.01-0.1 A @ 0.5-24 Vdc.
-
Điện áp LED/Lamp/Neon: 5V.
-
Màu LED/Neon: Xanh lá.
-
Sử dụng nút AML52.
2. Kích thước:


