1.:Công tắc nút nhấn honeywell AML22CBX3BD
-
Kiểu nối dây: DPDT.
-
Loại tác động: Tác động luân phiên.
-
Chân cắm: .025 x .025 (Printed Circuit, or Push-On).
-
Dải điện áp/Ampe:0.01-0.1 A @ 0.5-24 Vdc.
-
Điện áp LED/Lamp/Neon: 24V.
-
Màu LED/Neon: Xanh lá.
-
Sử dụng nút AML52.
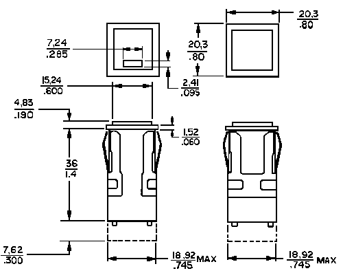
2. Kích thước:


