1. DC Stepping Motor & Driver Oriental RBK264A-R15
-
Động cơ bước Oriental RBK264A-R15.
-
Số pha 2.
-
Kích thước khung Motor 56.4mm.
-
Độ phân giải 1.8˚/Step với encoder.
-
Loại trục: trục đơn.
-
Ngõ ra encoder: 2 kênh A B.
-
Độ phân giải: 200xung/ vòng.
-
Driver sử dụng phải qua bộ phát xung.
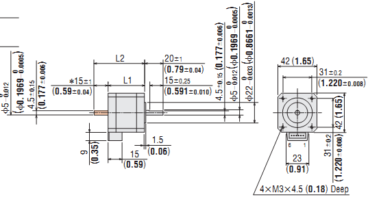
2.Kích thước

Chọn các mã sản phẩm khác của DC Stepping Motor & Driver

