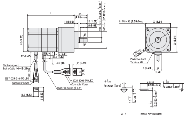
1.: DC Stepping Motor & Driver Oriental AR98MK-PS7.2-3
-
Động cơ bước DC Oriental AR98MK-PS7.2-3.
-
Độ phân giải / xung : 0.36o .
-
Loại motor : Hãm từ.
-
Điện áp cung cấp : 24/48 VDC .
-
Chiều dài cáp: 3 m .
-
Kích thước khung : 90 mm .
-
Loại hộp số : PS.
-
Hệ số truyền của hộp số 7.2..
-
Driver tương thích : ARD-K.
2.Kích thước:


