1. DC Stepping Motor & Driver Oriental CMK256AP
-
Động cơ bước Oriental CMK256AP.
-
Số pha 2.
-
Kích thước khung Motor 50mm.
-
Độ phân giải 1.8˚/Step.
-
Loại trục: Motor đơn trục.
-
Chết độ các ngõ I/O của Driver Photocoupler.
-
Driver sử dụng phải qua bộ phát xung.
-
Điện áp cung cấp 24VDC.
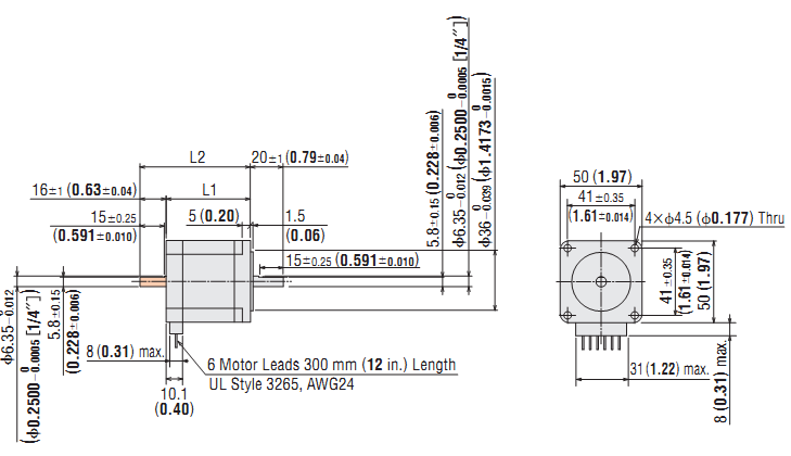
2.Kích thước

Chọn các mã sản phẩm khác của DC Stepping Motor & Driver

