1. DC Stepping Motor & Driver Oriental CMK264MAP
-
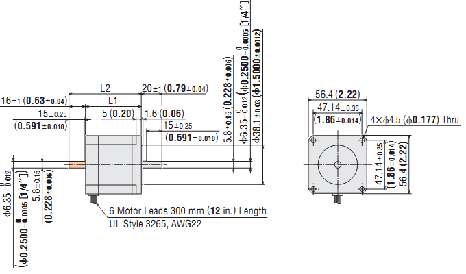
Động cơ bước Oriental CMK243MAPA.
-
Số pha 2.
-
Kích thước khung Motor 56.4mm.
-
Độ phân giải 0.9˚/Step.
-
Loại trục Motor đơn trục.
-
Chết độ các ngõ I/O của Driver Photocoupler.
-
Driver sử dụng phải qua bộ phát xung.
-
Điện áp cung cấp 24VDC.
2.Kích thước


