1. DC Stepping Motor & Driver Oriental CMK268PBPA

  • Động cơ bước Oriental CMK268PBPA.

  • Số pha 2.

  • Kích thước khung Motor 28mm.

  • Độ phân giải  1.8˚/Step mô men xoắn.

  • Loại trục: Motor trục đôi

  • Chết độ các ngõ I/O của Driver Photocoupler.

  • Driver sử dụng phải qua bộ phát xung.

  • Điện áp cung cấp 24VDC.

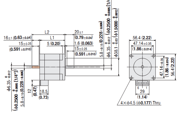
2.Kích thước

DC Stepping Motor & Driver Oriental CMK268PBPA

Chọn các mã sản phẩm khác của DC Stepping Motor & Driver

SKU: CMK268PBPA Category: