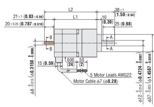
1. DC Stepping Motor & Driver Oriental CRK564AKP-PS50
-
Động cơ bước Oriental CRK564AKP-PS50.
-
Số phase 5.
-
Kích thước khung Motor 60mm.
-
Độ phân giải 0.72/Step.
-
Loại trục Motor Trục đơn.
-
Driver sử dụng không qua bộ phát xung.
-
Điện áp cung cấp 24VDC.
-
Loại hộp số PS.
-
Hệ số của hộp số 50.
2.Kích thước


