1. DC Stepping Motor & Driver Oriental CRK564BP-N36

  • Động cơ bước Oriental CRK564BP-N36.

  • Số phase 5.

  • Kích thước khung Motor 60mm.

  • Độ phân giải 0.72/Step.

  • Loại trục Motor Trục đôi.

    Driver sử dụng phải qua bộ phát xung.

  • Điện áp cung cấp 24VDC.

  • Loại hộp số PN.

  • Hệ số của hộp số 36.

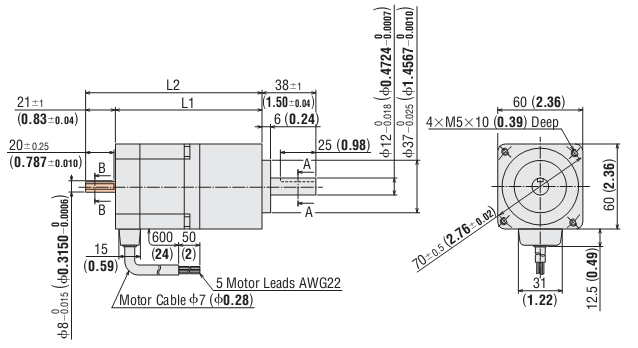
2.Kích thước

DC Stepping Motor & Driver Oriental CRK564BP-N36

SKU: CRK564BP-N36 Category: