1. DC Stepping Motor & Driver Oriental CRK566BKP-PS10

  • Động cơ bước Oriental CRK566BKP-PS10.

  • Số phase 5.

  • Kích thước khung Motor 60mm.

  • Độ phân giải 0.72/Step.

  • Loại trục Motor Trục đôi.

  • Driver sử dụng không qua bộ phát xung.

  • Điện áp cung cấp 24VDC.

  • Loại hộp số PS.

  • Hệ số của hộp số 10.

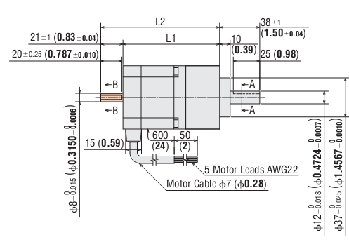
2.Kích thước

SKU: CRK566BKP-PS10 Category: