1.Mô tả
-
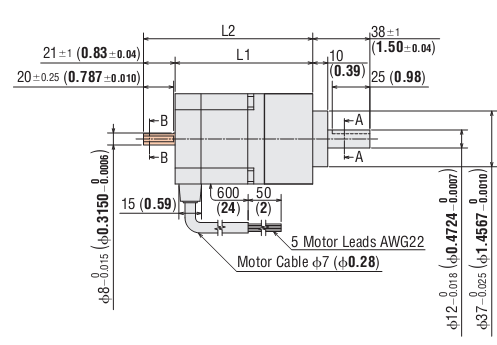
Động cơ bước Oriental CRK566BKP-PS7.2.
-
Số phase 5.
-
Kích thước khung Motor 60mm.
-
Độ phân giải 0.72/Step.
-
Loại trục Motor Trục đôi.
-
Driver sử dụng không qua bộ phát xung.
-
Điện áp cung cấp 24VDC.
-
Loại hộp số PS.
-
Hệ số của hộp số 7.2.
2.Kích thước


