1. DC Stepping Motor & Driver Oriental CRK569PMAKP
-
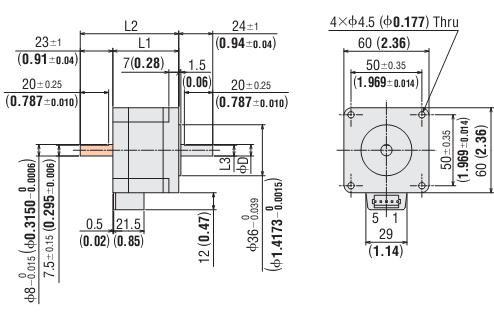
Động cơ bước Oriental CRK569PMAKP.
-
Số phase 5.
-
Kích thước khung Motor 60mm.
-
Độ phân giải 0.36/Step.
-
Loại trục Motor Trục đơn.
-
Chết độ các ngõ I/O của Driver Photocoupler.
-
Driver sử dụng không qua bộ phát xung.
-
Điện áp cung cấp 24VDC.
2.Kích thước


