1. DC Stepping Motor & Driver Oriental RBK233PA
-
Động cơ bước Oriental RBK233PA.
-
Số pha 2.
-
Kích thước khung Motor 35mm.
-
Độ phân giải 1.8˚/Step mô men xoắn.
-
Loại trục: Motor trục đơn.
-
Driver sử dụng phải qua bộ phát xung.
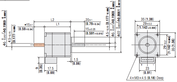
2.Kích thước

Chọn các mã sản phẩm khác của DC Stepping Motor & Driver

