1) Mô Tả Encoder Koyo TRD-MX200B
-
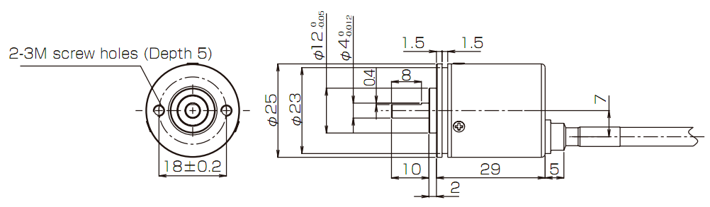
Encoder Koyo tương đối TRD-MX200B
-
Đường kính trục: 4mm
-
Đường kính thân: 25mm
-
Điện áp hoạt động: 12 … 24VDC
-
Độ phân giải: 200 xung/vòng
-
Pha đầu ra: A,B và Z
-
Loại ngõ ra: NPN cực thu hở
-
Tần số đáp ứng: 100 KHz.
2. Kích thước

3) Nối Dây

