1) Mô Tả: Encoder Koyo TRD-MX360V
-
Encoder Koyo tương đối TRD-MX360V
-
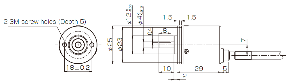
Đường kính trục: 4mm
-
Đường kính thân: 25mm
-
Điện áp hoạt động: 5 VDC
-
Độ phân giải: 360 xung/vòng
-
Pha đầu ra: A,B và Z
-
Loại ngõ ra: Line-driver
-
Tần số đáp ứng: 100 KHz.
2. Kích thước

3) Nối Dây

