1.: PLC Allen-Bradley 1769-OG16
-
Compact Digital AC I/O Modules 1769-OG16
-
Loại module ngõ ra TTL
Nguồn cung cấp: 5V DC TTL
Có 16 ngõ ra số
Độ trễ tín hiệu
-
ON: 0.25 ms
-
OFF: 0.50 ms
Power supply module: 1769-PA2, 1769-PB2, 1769-PA4, 1769-PB4
-
Kích thước (HxWxD):118 x 35 x 87 mm (4.65 x 1.38 x 3.43 in.)
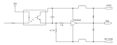
2.Sơ đồ nối dây:


