1.: PLC Allen-Bradley 1769-OW8
-
Compact AC/DC relay contact modules 1769-OW8
-
Loại module ngõ ra công tắc rờ le
-
Nguồn cung cấp: 5…265V AC; 5…125V DC
-
Có 8 ngõ ra thường hở (4 points/group)
-
Độ trễ tín hiệu
-
ON: 10 ms
-
OFF: 10 ms
-
-
Power supply module: 1769-PA2, 1769-PB2, 1769-PA4, 1769-PB4
-
Kích thước (HxWxD):118 x 35 x 87 mm (4.65 x 1.38 x 3.43 in.)
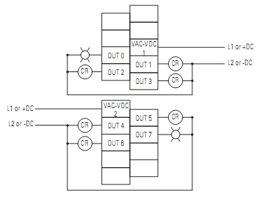
2.Sơ đồ nối dây:


Chọn các mã sản phẩm khác của PLC Allen-Bradley

