1.:
-
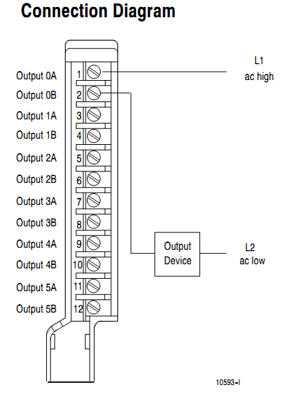
Digital I/O Module 1771-OD
-
Ngõ ra: 6
-
Nguồn cung cấp: 92 … 138 VAC
-
Tín hiệu trì hoãn:
-
Off to On: 1.0ms
-
On to Off: 8.3ms/60Hz
-
-
Current Per Output (Max): 2A
-
Current Per Module (Max): 6A
-
Backplane Current Load: 225 mA
-
Wiring Arm: 1771-WD
2.Sơ đồ đấu dây:


