1.Mô tả Dải áp suất đo: ±15 psi Áp suất tối đa tác động lên cảm biến: 45 psi. Điện áp cung cấp: 10 Vdc typ., 16 Vdc max. Thời gian đáp ứng: 1 ms max. Loại port: Thẳng. Điện áp ngõ ra tại điểm có áp suất không: 0 mV typ. Trở kháng ngõ vào: 5.5 kOhm min., 7.5 kOhm typ., 11.5 kOhm max. Trở kháng ngõ ra: 1.5 kOhm min., 2.5 kOhm typ., 3.0 kOhm max. Nhiệt độ hoạt động: -40 °C to 85 °C [-40 °F to 185 °F] Khối lượng: 2 g [0.07 oz] 2.Kích thước ==>Chọn các mã sản phẩm khác của Series 26PC
1.Mô tả
-
Dải áp suất đo: ±15 psi
-
Áp suất tối đa tác động lên cảm biến: 45 psi.
-
Điện áp cung cấp: 10 Vdc typ., 16 Vdc max.
-
Thời gian đáp ứng: 1 ms max.
-
Loại port: Thẳng.
-
Điện áp ngõ ra tại điểm có áp suất không: 0 mV typ.
-
Trở kháng ngõ vào: 5.5 kOhm min., 7.5 kOhm typ., 11.5 kOhm max.
-
Trở kháng ngõ ra: 1.5 kOhm min., 2.5 kOhm typ., 3.0 kOhm max.
-
Nhiệt độ hoạt động: -40 °C to 85 °C [-40 °F to 185 °F]
-
Khối lượng: 2 g [0.07 oz]
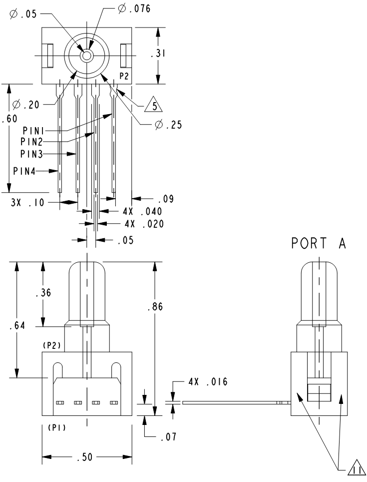
2.Kích thước

==>Chọn các mã sản phẩm khác của Series 26PC

