1.Mô tả

  • Dải áp suất đo:  ±30 psi

  • Áp suất tối đa tác động lên cảm biến: 60 psi.

  • Điện áp cung cấp: 10 Vdc typ., 16 Vdc max.

  • Có điều chỉnh ngõ ra.

  • Loại port: Thẳng.

  • Thời gian đáp ứng: 1 ms max.

  • Loại port: Thẳng 1,88 mm dia [0.074 in].

  • Điện áp ngõ ra tại điểm có áp suất không:  -2 mV min, 0 mV typ., 2 mV max.

  • Trở kháng ngõ vào:  5.5 kOhm min., 7.5 kOhm typ., 11.5 kOhm max.

  • Trở kháng ngõ ra: 1.5 kOhm min., 2.5 kOhm typ., 3.0 kOhm max.

  • Nhiệt độ hoạt động:  -40 °C to 85 °C [-40 °F to 185 °F]

  • Khối lượng:  2 g [0.07 oz]

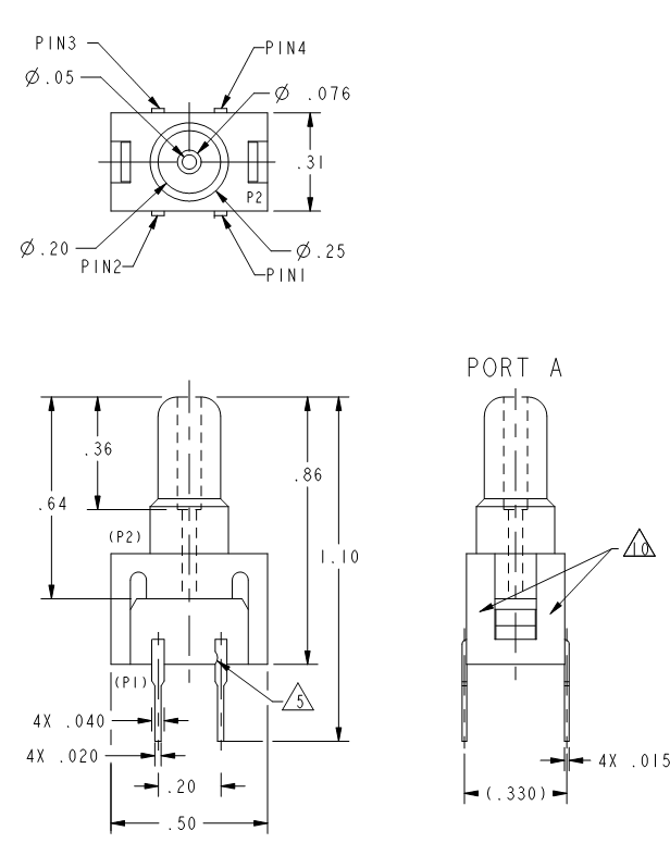
2.Kích thước

 

==>Chọn các mã sản phẩm khác của Series 26PC

 

 

SKU: 26PCDFA2G Category: