1.Mô tả

  • Dải áp suất đo: ± 100 psi.

  • Áp suất tối đa áp suất có thể chịu: 250 psi max.

  • Điện áp cung cấp: 3.0 Vdc min., 12.0 Vdc typ., 16.0 Vdc max.

  • Điều chỉnh ngõ ra: có.

  • Loại port: có ngạnh.

  • Điện áp điểm không: 0 mV typ.

  • Trở kháng ngõ vào: 5.0 kOhm min.

  • Trở kháng ngõ ra: 3.0 kOhm typ.

  • Nhiệt độ hoạt động: -25 °C to 85 °C [-13 °F to 185 °F].

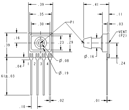
2.Kích thước:

==>Chọn các mã sản phẩm khác của Series CPC

 

SKU: CPC150AFC Category: