1.Mô tả Dải áp suất đo: 2.0 psia to 30.0 psia. Áp suất tối đa áp suất có thể chịu: 90 psi max. Điện áp cung cấp: 3.0 Vdc min., 12.0 Vdc typ., 16.0 Vdc max. Điều chỉnh ngõ ra: có. Loại port: Có ngạnh. Điện áp điểm không: 0 mV typ. Trở kháng ngõ vào: 5.0 kOhm min. Trở kháng ngõ ra: 3.0 kOhm typ. Nhiệt độ hoạt động: -25 °C to 85 °C [-13 °F to 185 °F]. 2.Kích thước: ==>Chọn các mã sản phẩm khác của Series CPC
1.Mô tả
-
Dải áp suất đo: 2.0 psia to 30.0 psia.
-
Áp suất tối đa áp suất có thể chịu: 90 psi max.
-
Điện áp cung cấp: 3.0 Vdc min., 12.0 Vdc typ., 16.0 Vdc max.
-
Điều chỉnh ngõ ra: có.
-
Loại port: Có ngạnh.
-
Điện áp điểm không: 0 mV typ.
-
Trở kháng ngõ vào: 5.0 kOhm min.
-
Trở kháng ngõ ra: 3.0 kOhm typ.
-
Nhiệt độ hoạt động: -25 °C to 85 °C [-13 °F to 185 °F].
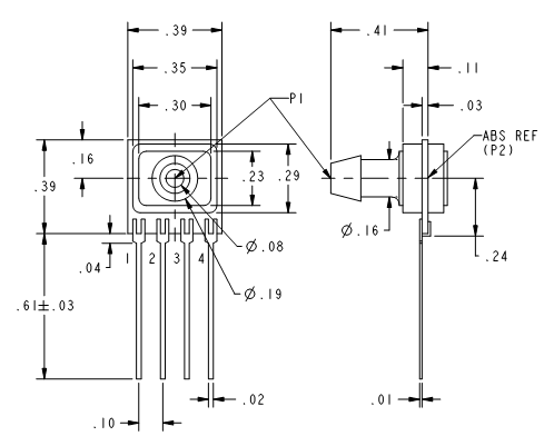
2.Kích thước:

==>Chọn các mã sản phẩm khác của Series CPC

