1.Mô tả Dải áp suất đo: ±10 inH2O. Áp suất tối đa tác động lên cảm biến: 150 inH2O. Điện áp cung cấp: 4.5 Vdc typ., 8.0 Vdc max. Có điều chỉnh ngõ ra. Loại port: loại có ngạnh. Điện áp ngõ ra tại điểm có áp suất không: 0 mV typ. Nhiệt độ hoạt động: 25 °C to 85 °C [-13 °F to 185 °F]. 2.Kích thước ==>Chọn các mã sản phẩm khác của Series DUXL
1.Mô tả
-
Dải áp suất đo: ±10 inH2O.
-
Áp suất tối đa tác động lên cảm biến: 150 inH2O.
-
Điện áp cung cấp: 4.5 Vdc typ., 8.0 Vdc max.
-
Có điều chỉnh ngõ ra.
-
Loại port: loại có ngạnh.
-
Điện áp ngõ ra tại điểm có áp suất không: 0 mV typ.
-
Nhiệt độ hoạt động: 25 °C to 85 °C [-13 °F to 185 °F].
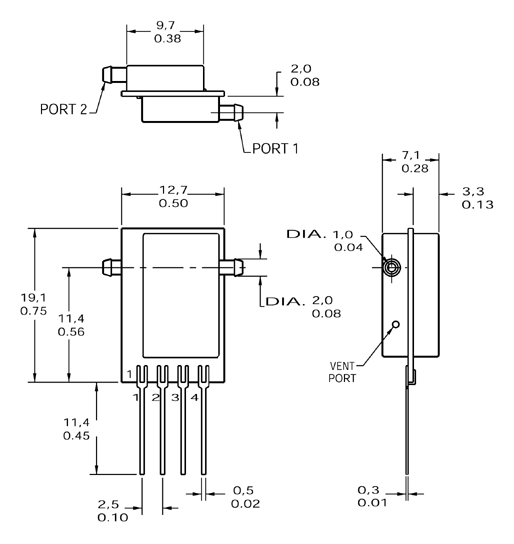
2.Kích thước

==>Chọn các mã sản phẩm khác của Series DUXL

