1.Mô tả Dải áp suất đo: ±10 inH2O. Áp suất giới hạn mà cảm biến có thể chịu: 100 inH2O. Điện áp cung cấp: 3.0 Vdc min., 12.0 Vdc typ., 16.0 Vdc max. Port Style: Loại có ngạnh. Mức đo: 2 mV/inH2O. Điện áp điểm không: 0 mV typ. Trở kháng ngõ vào: 5.0 kOhm min. Trở kháng ngõ ra: 3.0 kOhm typ. Nhiệt độ hoạt động: -25 °C to 85 °C [-13 °F to 185 °F]. 2.Kích thước ==>Chọn các mã sản phẩm khác của Series XPCL
1.Mô tả
-
Dải áp suất đo: ±10 inH2O.
-
Áp suất giới hạn mà cảm biến có thể chịu: 100 inH2O.
-
Điện áp cung cấp: 3.0 Vdc min., 12.0 Vdc typ., 16.0 Vdc max.
-
Port Style: Loại có ngạnh.
-
Mức đo: 2 mV/inH2O.
-
Điện áp điểm không: 0 mV typ.
-
Trở kháng ngõ vào: 5.0 kOhm min.
-
Trở kháng ngõ ra: 3.0 kOhm typ.
-
Nhiệt độ hoạt động: -25 °C to 85 °C [-13 °F to 185 °F].
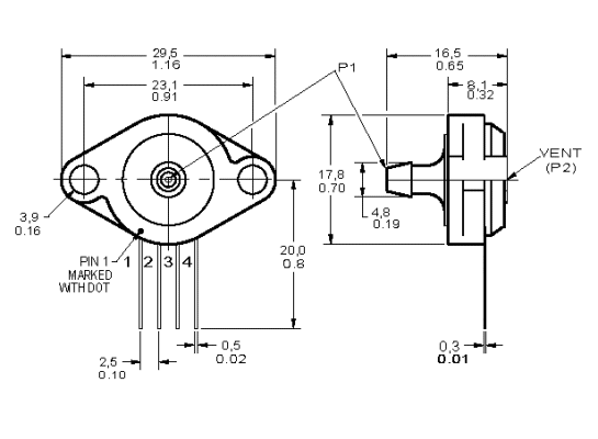
2.Kích thước

==>Chọn các mã sản phẩm khác của Series XPCL

