1.Mô tả Dải áp suất đo: ±10.0 inH2O. Áp suất tối đa cho phép: 3.0 psi. Điện áp cung cấp: 3.0 Vdc min., 12.0 Vdc typ., 16.0 Vdc max. Loại port: No port. Điện áp ngõ ra tại điểm không: 0 mV typ. Trở kháng ngõ vào: 2600 ppm/°C. Trở kháng ngõ ra: -1800 ppm/°C Nhiệt độ hoạt động: -25 °C to 85 °C [-13 °F to 185 °F]. 2.Kích thước ==>Chọn các mã sản phẩm khác của Series XPXL Series
1.Mô tả
-
Dải áp suất đo: ±10.0 inH2O.
-
Áp suất tối đa cho phép: 3.0 psi.
-
Điện áp cung cấp: 3.0 Vdc min., 12.0 Vdc typ., 16.0 Vdc max.
-
Loại port: No port.
-
Điện áp ngõ ra tại điểm không: 0 mV typ.
-
Trở kháng ngõ vào: 2600 ppm/°C.
-
Trở kháng ngõ ra: -1800 ppm/°C
-
Nhiệt độ hoạt động: -25 °C to 85 °C [-13 °F to 185 °F].
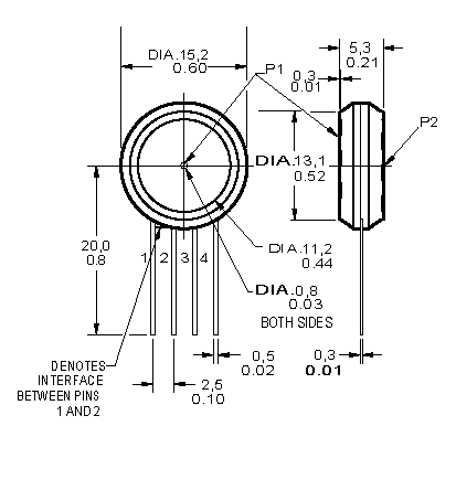
2.Kích thước


