1.Mô tả Loại không cần bộ khuếch đại. Dải đo: ± 5.0 psi. Áp suất tối đa có thể tác động lên cảm biến: 15 psi max. Điện áp cung cấp: 3.0 Vdc min., 12.0 Vdc typ., 16.0 Vdc max. Hiệu chỉnh ngõ ra: Không có. Loại port: No Port. Điện áp điểm không: 0 mV typ. Nhiệt độ hoạt động: -25 °C to 85 °C [-13 °F to 185 °F]. 2.Kích thước ==>Chọn các mã sản phẩm khác của series CPX
1.Mô tả
-
Loại không cần bộ khuếch đại.
-
Dải đo: ± 5.0 psi.
-
Áp suất tối đa có thể tác động lên cảm biến: 15 psi max.
-
Điện áp cung cấp: 3.0 Vdc min., 12.0 Vdc typ., 16.0 Vdc max.
-
Hiệu chỉnh ngõ ra: Không có.
-
Loại port: No Port.
-
Điện áp điểm không: 0 mV typ.
-
Nhiệt độ hoạt động: -25 °C to 85 °C [-13 °F to 185 °F].
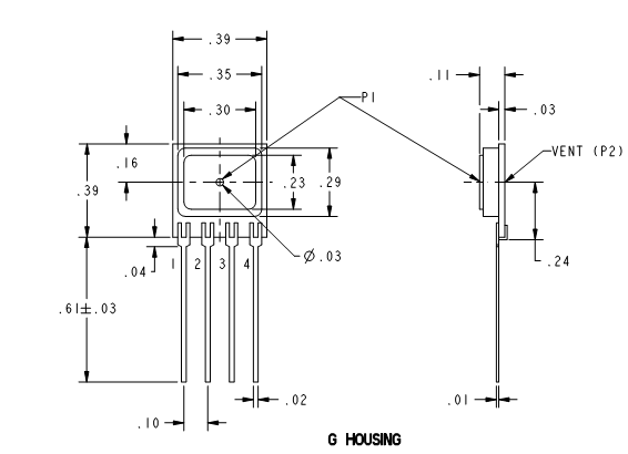
2.Kích thước

==>Chọn các mã sản phẩm khác của series CPX

