1.: AC Stepping Motor & Driver Oriental RK543BA-T7.2
-
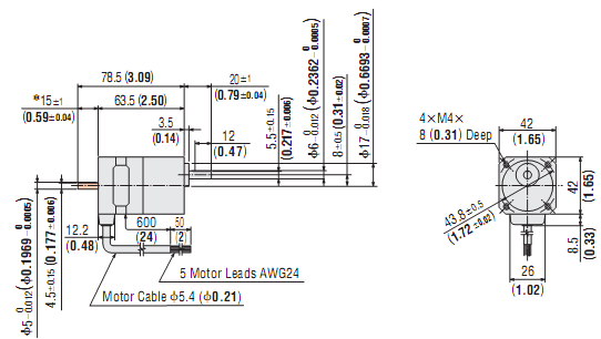
Động cơ bước AC Oriental RK543BA-T7.2 .
-
Độ phân giải / xung : 0.72o .
-
Số pha : 5 pha .
-
Kích thước khung : 42 mm .
-
Loại motor : Trục kép .
-
Điện áp cung cấp : 1 pha, 100-115 VAC .
-
Loại hộp số : TH .
2.Kích thước:


⇒ Chọn các mã sản phẩm khác của AC Stepping Motor & Driver Oriental

