1. : Cảm biến quang Omron E3T-SR44 2M
-
Cảm biến quang điện loại phản xạ gương E3T-SR44 2M.
-
Khoảng đo: 10 mm to 100 mm.
-
Nguồn cấp: 12 – 24 VDC ± 10%.
-
Ngõ ra:PNP cực thu hở.
-
Chế độ hoạt động: Dark-ON.
-
Kiểu kết nối: cáp dài 2m.
-
Bảo vệ vọt áp, ngắn mạch, phân cực ngược, nhiễu giao thoa.
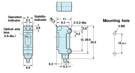
2. Kích thước

3. Nối dây

4. Giản đồ điều khiển


