1..
-
MCCB Allen-Bradley 140U-G1C2-C30
-
Dòng định mức: 30A.
-
Số cực: 2P.
-
Dòng ngắn mạch 480V AC: 14kA.
-
Tiêu chuẩn UL 489, CSA 22.2, No. 5
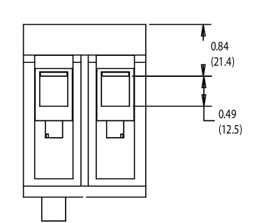
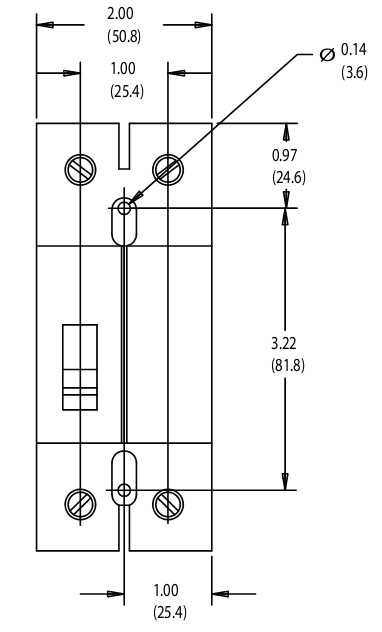
2.Kích Thước.



1..
MCCB Allen-Bradley 140U-G1C2-C30
Dòng định mức: 30A.
Số cực: 2P.
Dòng ngắn mạch 480V AC: 14kA.
Tiêu chuẩn UL 489, CSA 22.2, No. 5
2.Kích Thước.


