1.. MCCB Mitsubishi NF32-SW/2P/7.5KA
-
MCCB Mitsubishi NF32-SW/2P/7.5KA.
-
Dòng định mức: 3, 4, 6, 10, 16, 20, 25, 32 A.
-
Số cực: 2P.
-
Dòng ngắn mạch AC230V: 7.5KA.
-
Tiêu chuẩn IEC 60947-2.
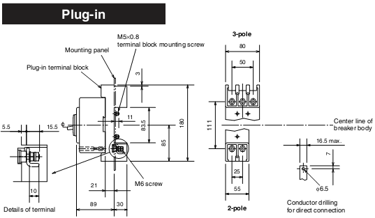
2.Kích Thước.
.png)
.png)
.png)
-
chọn các sản phẩm khác của MCCB Mitsubishi NF-S

