1.. Thiết bị đóng ngắt MCCB Fuji BW50RAMMCCB Fuji BW50RAM.Dãy dòng điện: 50A.Dòng định mức:10, 12, 16, 24, 32, 40, 45 A.Số cực: 3 P.Dòng ngắn mạch 380V AC, 10/5 kA.Tiêu chuẩn: IEC 60947-2, EN 60947-2, JIS C 8201-2-1.2.Kích Thước.Ba cực:Chọn các sản phẩm khác của MCCB Fuji G-TWIN
1.. Thiết bị đóng ngắt MCCB Fuji BW50RAM
-
MCCB Fuji BW50RAM.
-
Dãy dòng điện: 50A.
-
Dòng định mức:10, 12, 16, 24, 32, 40, 45 A.
-
Số cực: 3 P.
-
Dòng ngắn mạch 380V AC, 10/5 kA.
-
Tiêu chuẩn: IEC 60947-2, EN 60947-2, JIS C 8201-2-1.
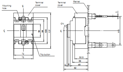
2.Kích Thước.
Ba cực:

Chọn các sản phẩm khác của MCCB Fuji G-TWIN

