1.. Thiết bị đóng ngắt MCCB Fuji BW630RAGMCCB Fuji BW630RAG.Dãy dòng điện: 630A.Dòng định mức: 500, 600, 630 A.Số cực: 3, 4 P.Dòng ngắn mạch 380V AC, 50/25 kA.Tiêu chuẩn: IEC 60947-2, EN 60947-2, JIS C 8201-2-1.2.Kích Thước. Ba cực:Bốn cực:
1.. Thiết bị đóng ngắt MCCB Fuji BW630RAG
-
MCCB Fuji BW630RAG.
-
Dãy dòng điện: 630A.
-
Dòng định mức: 500, 600, 630 A.
-
Số cực: 3, 4 P.
-
Dòng ngắn mạch 380V AC, 50/25 kA.
-
Tiêu chuẩn: IEC 60947-2, EN 60947-2, JIS C 8201-2-1.
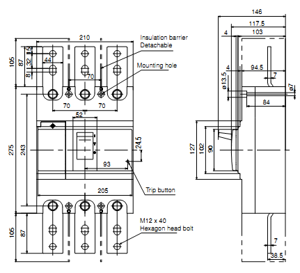
2.Kích Thước.
Ba cực:

Bốn cực:

